At its meeting on June 23, the TTC Board considered a report on platform doors for its subway system:
- Platform Edge Doors Study – Outcome of Feasibility and Business Case Studies
- Platform Edge Doors Study – Feasibility Report
- Platform Edge Doors Study – Business Case
The main report recommends that the Board:
- Receive the PEDs Study report.
- Approve addition of PEDs requirements, including operational and technical system requirements to the TTC Design Manual and Master Specifications for implementation at future new stations.
- Direct staff to include funding based on estimates for the implementation of a pilot installation at TMU Station (Dundas) as part of the 2026 budget submission.
- Approve ongoing planning work, including prioritizing stations for implementation of appropriate technologies based on specific needs and drivers of each station.
At the meeting, there was an attempt to refer the report to staff for further study:
Motion to Refer Item moved by Fenton Jagdeo (Lost)
Refer the report back to staff for further analysis to compliment [sic] the platform edge door study that includes:
- Other technology, infrastructure, or passenger management solutions at stations that could improve operational efficiency, customer experience, and safety.
- Prioritization of stations that would most benefit from platform edge doors and those that could realize safety, operational, and customer experience improvements utilizing other solutions.
- Capital budget costs of (non platform edge door) station enhancement investments that could be implemented in 2026 to improve safety, operations, and customer experience.
- Expanded business cases that include metrics for potential operational cost savings, service reliability improvements, and customer delay time savings that could be realized with platform edge doors at the highest priority stations.
- A jurisdictional review of alternate platform edge door funding models that leverage non-fare (advertising) revenues.
There was also a motion to refer the report to the Strategic Planning Committee for further discussion:
Motion to Amend Item (Additional) moved by Councillor Dianne Saxe (Carried)
The TTC Board requests that staff provide the Strategic Planning Committee with class 5 estimates of the costs and benefits to the TTC of technically feasible options to detect or discourage track-level intrusions at subway and LRT stations, including those being installed by Metrolinx on new stations in Toronto.
The Feasibility Report by AECOM is a long document, but the core of it lies in the first 90 pages covering many aspects of potential implementations and designs. One significant conflict between this report and the management recommendations lies in the choice of stations for a trial installation. Although management recommends Dundas/TMU, a busy downtown station, the Feasibility Report recommends lightly used stations where problems can be worked out without a major upset to service and riders.
It is further highly recommended that TTC implement a number of PED installation pilot projects at different stations representing the typical condition for each type of design solution. Representative stations are proposed based on low ridership numbers to minimize impact to the subway system and ridership inconvenience associated with performance of the work and the anticipated learning curve. Potential stations include North York Centre, Lawrence, Glencairn and Old Mill. This variety of stations will allow contractors to familiarize themselves with all station groups and structural solutions. [p. 19]
The project is estimated to take over 20 years to complete system-wide at a substantial cost:
The total capital cost for the implementation of the PEDs system for Lines 1, 2 and 4 is estimated at $4.1 billion, with average costs of $44 million to $55 million for two platforms of a station based on the preliminary (Class 5) cost estimate, which includes a cost escalation to the midpoint of construction projected in 2036. The estimated cost was also included in the 2025-2039 Capital Investment Plan and remains unfunded. Subject to the approval of the recommendations of this report and available funding room available, $44 million will be included in the 2026-2035 Capital Budget and Plan submission for the implementation of a pilot installation at TMU Station (Dundas) for Board consideration. The preliminary cost estimate does not include the ATC interface. This will be further reviewed and discussed with the Line 1 ATC supplier as the PEDs project progresses and an implementation strategy is developed. [Management Report, p. 2]
Note that the study lists many other aspects of the project for which costs are not included. I will turn to these in the detailed part of this article.
The PED project is not funded in the Capital Plan and would have a significant effect on annual spending, especially if there is political pressure for a compressed timeline.
The study reviewed four different implementations:
- Full-height doors with a roughly 300mm ventillation space at the top.
- Partial height doors.
- Intrusion detection systems (IDS)
- “Rope” barriers.
Based on a scoring system full-height doors were favoured because they are the only proven system that completely prevents track level access. However, this is only one component of the evaluation and the differences overall are small, except for “rope” systems due to a “less-proven” ranking.
The costs for full- and half-height doors are substantial thanks to the station modifications needed for their installation many of which are common to both schemes.

An important issue in such a review is to determine just what reason lies behind the desire to install PEDs. The commonly cited issue is suicides, and yet the TTC has a greater problem with people walking at track level. Other problems include fires caused by debris blown onto track level, and the potential contact between passengers on the platform and trains. Various implementations address each of these to a greater or lesser extent.
If the intent is to make track level access difficult and deter the majority of intrusions, then walls of some height are required. Sensors can detect unwanted intrusion, but they will not prevent it, and could be prone to false positives.
The operative word in “IDS” is “detection”. Such a system can detect entry into the guideway, but not prevent it. This will be used on the underground portions of the soon-to-open Lines 5 and 6 in Toronto, and we will see how well it works, especially in distinguishing between real intrusions and false positives that would halt service.
Installing PEDs is not simply a matter of erecting a wall along the platform. There are issues of structural integrity of platforms, relocation of services in the under-platform area, station and tunnel ventilation, power supply and control systems, and emergency operation of the doors. Most of these are common to half and full-height implementations, although the effect on ventilation is less for half-height doors.
The implementation of PEDs at existing stations will require extensive planning, with the majority of the work taking place at track level during non-operating hours and will need to be implemented alongside ongoing State of Good Repair (SOGR) work in subway tunnels and stations. Implementation of the PED system as part of major works, such as Bloor-Yonge Capacity Improvements (BYCI) will minimize operational and customer disruptions while addressing cost and schedule efficiency.
Extensive subway station closures and station bypasses will be necessary to effectively complete track-related work for the PED system and to minimize the challenges. Partial and full closures of subway lines and stations were used in Paris, Hong Kong, Singapore, Copenhagen, and Seoul’s Metros to successfully retrofit the PED system in existing stations. [Management report pp 1-2]
The TTC has never undertaken an “extensive” closure of a station, let alone a line, beyond weekend maintenance shutdowns. This has substantial implications at busy stations near major destinations or with extensive surface feeder services.
The Business Case (also by AECOM) presents the advantages and disadvantages of PEDs.

The Business Case is a troubling document because it purports to show the monetary value of the project, albeit over an extended period. I am not convinced that this is an appropriate way to address the issue. The majority of the savings comes from fatality incidents which contribute to many of the factors below, notably to the imputed value of lost lives. Some of these savings are not direct dollar spending (such as emergency response costs), and cannot be recouped as an offset to the capital cost.
Arguing the preservation of life as a “business case” begs the question of whether fiscal hawks would agree to the project if there were not a good “return on investment”. Conversely, a 20-year implementation plan has little sense of urgency. The question, then, is how quickly the project could actually unroll, at what cost, and a what disruption both to ongoing subway operations and the overall capital plans for the TTC.

The footnote above refers to anticipated longer dwell times at stations as the control systems for both the platform doors and trains agree with each other about opening and closing while trains are stopped.
There is some irony to the proposal of Dundas/TMU Station as a trial installation. At the previous TTC Board meeting, the University made a proposal to set up a research effort with the TTC based on their business startup model. The idea was that there were potential developments that could be marketed to the world. One of the focus areas was to be intrusion detection, although such systems have existed for decades in various forms. In December 1985, SkyTrain in Vancouver opened with an Intrusion Detection System, although a replacement technology is now under consideration. IDS is not a new concept, and whether TMU can bring some enhancement that does not already exist in the market remains to be seen.
At this point, management asks the Board for approval to continue study of a potential PED rollout. This would include evaluation of appropriate technologies for different types of stations. and make budget provision for a trial implementation at Dundas/TMU. Any installation work is still a few years away, and a full rollout further still. An obvious question is whether an interim Intrusion Detection System is worthwhile, or even sufficient for the less heavily-used stations.
The challenge is to define the system’s goal and the level of protection needed to achieve this. Will problems simply migrate from stations with full segregation between platforms and trains to others with lesser or no detection or barrier? What proportion of the system must be converted to achieve a significant reduction in unwanted events? How long would it take to achieve this?
The remainder of this article delves into the technical review of PEDs and what their implementation on the TTC network would entail.
History
The idea of installing platform doors is not new to the TTC, and a 2009 feasibility study led to a 2010 Board report on the subject. At the time, the full-system project had a projected cost of $9.8 million/station and an implementation time of six years.
Many of the points raised in the 2010 presentation (attached to the report) are echoed in the 2025 study which is an update of earlier report with added detail.
In 2010, PEDs were presented as part of a suite of upgrades that would allow Line 1 YUS capacity to be substantially increased. Other components were new trains and automatic train control (both now in operation). An important contribution to capacity would be a major reduction in delays from various track level incidents, plus a small benefit from isolation of passengers on crowded platforms from trains entering and leaving stations.
It is worth noting that the TTC already had severe platform crowding problems in 2010, and the target date for increased capacity on Line 1 was 2030. This date has receded off to 2040 in part due to changing commuting patterns, and in part due to a lack of emphasis on the existing network in favour of new lines.
Needless to say, nothing came of this because the PED project was not funded.
In November 2014, the Board of Health recommended
1. City Council direct and provide funding to the Toronto Transit Commission to implement the following actions, to improve passenger safety including suicide prevention:
a. All future extensions or new lines include Platform Edge Doors or other means for restricting unauthorized access to the subway tracks by members of the public in the design of stations; and
b. Retrofit existing stations with Platform Edge Doors or other means for restricting unauthorized access to the subway tracks by members of the public to realize significant benefits from the completion of the automatic train control upgrade to the signal system.
When this reached Council in February 2015, the recommendation was amended on a motion by then-Councillor Mihevc to read:
1. City Council request the Toronto Transit Commission to consider the following improvements to passenger safety and suicide prevention in future budget submissions as the automatic train control project is completed:
a. in the design of stations for all future extensions or new lines include Platform Edge Doors or other means for restricting unauthorized access to the subway tracks by members of the public; and
b. retrofit existing stations with Platform Edge Doors or other means for restricting unauthorized access to the subway tracks by members of the public.
A proposed Council directive became a request to the TTC, and the commitment to funding became a future budget submission that might have been approved, or not.
The Vaughan extension (TYSSE) of Line 1 opened in 2017, but it did not have PEDs. These were cut from the project for budgetary reasons, and considerable redesign was required at some stations where the PEDs had been assumed as part of the structure.
By May 2024, with the adoption of the TTC’s 2024-28 Corporate Plan, the goal was further diluted to:
Strategic Direction 3.1.4: Evaluate Opportunity to Integrate Platform Edge Doors into Subway Improvements
In that plan, the unfunded cost of PEDs had risen to $4.1 billion with annual capital outlay of $273 million. The $4.1 billion figure also appears in the 2025 study implying that costing work for the proposal was underway at least a year before the AECOM study’s publication.
Note that this assumes implementation over an extended period and includes provision for inflation to 2036, the midpoint of the project. However, the PED Study notes that the $4.1B estimate does not include several factors that would add to the estimated cost. Moreover, this is a class 5 estimate very early in the project “and a low expected accuracy range of -20%-50% and high range of +30%-100%.”
Existing Station Conditions
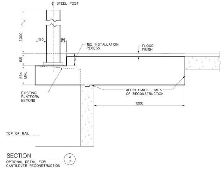
A problem across many station types is that the platform edge is cantilevered, and does not have the structural strength to support a PED system, nor to withstand the twisting force caused by the piston effect of passing trains pressing air against the wall.
The 2010 report identified many issues with the condition of stations, especially the older ones, that are described in the 2025 report including:
- Deteriorated platforms: Some platforms have deteriorated over the years (the original Line 1 stations are over 70 years old, and Line 2 close to 60). Platform renovations will be required.
- Rock Swelling: Some of the early stations were built with platforms directly on the rock underneath. Over time, this has shifted and that process will continue. Again platform reconstruction is recommended before PEDs are installed.
- High Ceilings: Some stations have high ceilings which precludes their use as anchor points for PED wall structures.
- Absence of a base slab: Some stations have no base slab to which a PED wall could be anchored.
Station Types
There are three types of side platform stations on the TTC: underground, at grade and elevated. Each of these has its own issues for a PSD retrofit, compounded by the variations in construction for different ages of stations.
There are four types of centre platform stations: concrete box structure, paired iron tunnels (e.g. Queen’s Park), at grade and elevated.
Stations that are at or above grade have different requirements and constraints than those underground including weather effects and differing structures.
Some stations have platforms that are more constrained than a typical layout, and this affects both design for the PED walls and provision for emergency access.
An important point is there is no “cookie cutter” implementation that will work at every station.
Types of Platform Barriers
Four types of barrier were considered by the study, although “barrier” stretches the concept in some cases.
Full-height and half-height doors are structurally similar with the primary difference being whether the space between the platform and the track area is enclosed at least to the height of the train, if not to the ceiling. The proposed TTC design for full-height doors includes a 300mm louver to provide some air flow between the top of the wall system and the station ceiling. In either case, the platform doors would be wider than those on the trains to allow for stopping accuracy.
There would be emergency releases for the doors and possibly for panels between them, although the study is inconsistent about these. If the the panels include advertising frames, likely with electronics, this is a more substantial design challenge than a simple breakaway panel or hinged door.
“Rope” barriers are based on the use of steel ropes that could be raised and lowered beside a train. They offer simplicity as well as dealing with issues of uneven door spacing on existing fleets, but they do not prevent objects from falling or being thrown onto the track. There is also no information in the study about the opening and closing times for this type of barrier.
Finally, sensor-based systems include both on-train versions (looking ahead for obstructions), pressure detection systems at track level, and platform systems monitoring for unwanted activity near the platform edge. These systems are only capable of detection and, through interfaces to train controls, an attempt to stop before contact, but they cannot prevent unwanted entry to the tracks, nor the accumulation of debris.
The Need for Trial Installations
The study emphasizes that a PED project should not simply launch without a full appreciation for the work involved:
Complexity should not be taken for granted when it comes to a project that aims to integrate a new system like platform doors with an intricate existing system such as a railway that includes automatic train control. If unforeseen issues or “growing pains” are going to occur during the installation and integration of the platform doors, it is best to work through those issues at a station that does not have high ridership.
A pilot installation at the stations representing a typical group of stations’ structure (e.g. Old Mill, Glencairn, Lawrence and North York Centre). This would refine the design requirements, identify constraints, refine risks, cost, schedule, and lessons learned for each type of station’s structure as well as obtain customer feedback, assess O&M impact, and generate public interest. Four proposed stations from each station classification to be done as part of pilot program. [Study at p. 43]
Potential Conflicts with Other Projects
The TTC has many projects underway or planned that affect subway stations such as Easier Access, ventilation upgrades, second entrances, other capacity improvements, track and communications upgrades. All of these need to be co-ordinated with any platform level construction projects.
TTC station construction projects are often noted for their leisurely approach to scheduling and completion, and riders often complain of works that seem to go on forever. Any project that will affect every station in the system should be well planned and executed. There will be a trade-off between a desire for an accelerated plan, and one that leaves room for unexpected conditions and delays. This is particularly important in early stages where experience and “lessons learned” will inform future design, planning and installation.
Construction Issues
Much work must be done before the actual walls and door assemblies can be installed including utility, cabling, lighting and signage relocation where there are conflicts with the new walls. A control room for equipment including the interface with the signal system is required, and the station power supply may have to be upgraded for the door systems and/or for ventilation upgrades. Some of this work cannot be performed while the subway is operating, and some may require station closures.
The length of time for this work would be substantial even with careful staging. The study is inconsistent in describing this.
One section “2.2.1 Construction Staging” talks of both station closures and bypass operations, and yet only mentions weekend closures. However, “2.7 Evaluation of Construction Strategies” states that the total duration for one station could be 200-220 business days which could be reduced by:
- Early station closing (10pm) to allow work on the preparations for the PED support system (20% saving in total time).
- Weekend closures for PED support work (50% saving).
- Full station closure (three-to-four weeks total time).
- Full station closure for preparatory works, followed by weekend closures for PED installation (two-to-three weeks total time). It is not clear why this scheme would take less time than a full closure for the entire project.
Even in the best case scenario, this is a much more extensive shutdown than the TTC has ever implemented.
The AECOM study includes a project chart for the full installation project stretching out to 2040. Below is the overview, pilot and first phase to give an idea of the timeframes involved. “Phase 2, Package 2A” in the chart refers to two stations, Finch and Pioneer Village, although the elapsed times for other packages are similar. The packages overlap so that one group of stations will be in design while another is in installation.
- The pilot station work would begin in January 2026 but would not complete until July 2029.
- The first four “production” stations begin design in mid-2029 with project completion in December 2031.
- The next four stations would run from mid-2030 to late 2032. This pattern continues with four stations starting each year.
- Line 1 work would complete in October 2035.
- Line 2 work would begin in April 2034 and run to August 2039.
- Line 4 work would begin in February 2038 and run to July 2040.
This is not the schedule of an urgent project, and an obvious question is how much this could be compressed, what the effect on project risk (too much, too soon) would be, how many stations in the system could reasonably be under construction at once, and what the actual pattern of open and closed stations would look like.
In this context, it is ironic that TTC chooses to ignore their consultant recommendations to pick minor stations as pilots, and instead selects one of their busiest, Dundas/TMU. In the AECOM proposal, Dundas/TMU would not begin until 2034, and would, surprisingly be paired with Queen, another major station immediately next on the line. Assuming the project does go forward, careful planning to avoid concurrent works in stations serving the same area will be needed. [See proposed phasing in section 2.6.1 of the study.]

Structural Issues
The diagram below shows two generic styles of full-height PED installations. On the left is a station whose platform cannot support the PED structure. In that case, a support pillar is required under the platform cantilever. A variation on this is shown on the right where the support itself is built into the under-platform space. The pair of drawings below shows the two designs in detail.



One issue with this structure is that trains entering stations have a “piston effect” that will press air against the walls which, in turn, will exert a force on their foundations. This leads to the design with a structural pillar attached to the track slab, or to the platform if it is robust enough. This is less of an issue if there is a large open space (as in half-height walls) for air to disperse.
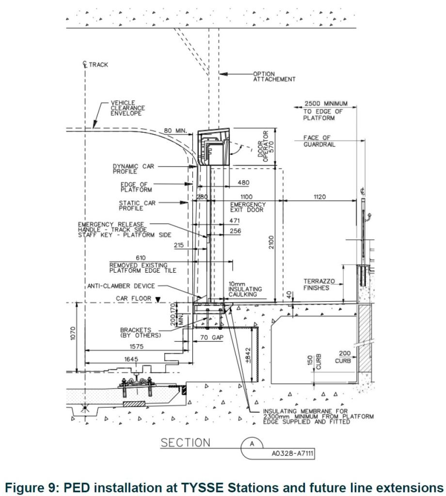
Stations on the TYSSE were built with provision for future PEDs, and they do not require platform modifications. This is the standard for any new stations. This is a full-height implementation, and it assumes a station ceiling considerably higher than found in older parts of the subway.

The space under the platform edge carries many cable systems and utilities. These cannot be disturbed by the construction, and they must be protected or relocated. The pillars will also partly block access to the refuge space under the platform. One option is to create more refuge cages beside the track such as are found in many stations, but some stations do not have room for them on the “off side” from the platform.
The creation of a wall between tracks and platforms will also affect maintenance activities where large items would be offloaded from work trains. Depending on the wall design, this could be addressed with swing-out panels, but some stations with narrow platforms (e.g. St. George) do not have room for this. This problem also affects emergency options.
Stations will require a control room for the door system, and some may also need power supply upgrades. This could be at the end of a platform, or in nearby space, if available.
Effect of PEDs on Subway Operations
A commonly cited “benefit” of PEDs is an incrcease in train speed and line capacity. This was erroneously cited with some enthusiasm by a member of the TTC Board. The claim arises from the early studies of PEDs which considered the combined effect of new trains, a new signal system with automatic train control and platform doors. Much of the increased capacity arises from higher capacity cars and from the ability to run trains closer together with ATC. PEDs come in where train entry is sometimes done at a low speed due to platform congestion. This is not the case in all stations all of the time.
Anyone who rides the subway knows that trains enter many stations at full speed and begin braking as they reach the platform rather than slowing before entry.
Claims that PEDs would contribute a 30% increase in line capacity simply do not line up with actual operating practice. What they would achieve is to reduce the degradation of service under heavy loads, although long platform dwell times as passengers try to leave or board would probably be a greater factor in delays. More reliable capacity would likely be achieved simply by the elimination of many events that PEDs are intended to block.
Dwell times will go up slightly with PEDs given the extra few seconds to establish co-ordination between trains and doors at stations, plus the extra time to open the wider platform-side set of doors.
One important concern is the space between the doors and the train, and tactics to prevent riders from being trapped. The study proposes that the doors be equipped with side barriers that would block movement into the space between trains and the PED wall.
Another important issue is maintenance. It is no secret that failing doors on subway trains are not unusual, and PEDs would add another layer of maintenance. The study recommends one new staff position per three stations for ongoing monitoring and maintenance. Failure to maintain this equipment cannot be tolerated.
A related problem is the condition where a set of doors on the platform or on an incoming train are not working. The study proposes that the train and station control systems would ensure that doors do not open if one set is not operating. This requires a change in the train’s door control system and a communication protocol between train and station systems so that only working pairs of doors open.
Ventilation and Fire Control
There are two types of ventilation in the subway. Day-to-day tunnel and station ventilation is provided by the piston effect of trains pushing air ahead of them. The benefit of this varies from site to site depending on station layout. With PEDs installed, the movement of air between the trackway and the station will be reduced, although to what degree depends on local conditions and design of the PSD walls. If the doors are only half-height, more air circulation will be possible than for full-height with a 300m louver at the top.
Although the study assumes that there will be enough air flow to ventilate stations, there is no specific review of problems such as overheating in non-air conditioned stations.
Stations also have vent fans used primarily to clear smoke in case of a fire. Most vent shafts open into the tunnels outside of stations, not into the platform space. The air circulation pattern assumes that air will move freely through the station. How this will change with a PED wall, not to mention the concurrent presence of a train, is not explored. The study cites a simulation of Wellesley Station from 2010 but does not go into details for multiple alternate circumstances (fire location, presence of a train) and station configurations.
A parallel issue is that the TTC has been replacing existing ventilation fans at some stations due to age and increased demand (higher passenger load). There is no discussion of how this work would be co-ordinated and what pressures will arise to improve fire control systems as part of the capacity upgrade planning for Lines 1 and 2.
A further design issue for emergencies is the need to open the PED wall in case of malfunction and the need to evacuate a train without benefit of automatic controls. Schemes involving push-bar releases on the train side and keyed releases on the platform side are proposed, although both of these assume the presence of staff to actually manage the evacuation.
If the emergency release involves swinging the door panels outward, problems arise at stations with narrow platforms (the older centre platform stations such as St. George) where there would not be enough clearance beside an opened door for people to pass by on the platform.
Yet another design issue is the love for using space on the PED walls for advertising, typically in modern times, heavier electronic displays with associated cabling. This does directly opposite an earlier TTC proposal for simple break-away panels.
There is a sense through the study that emergency planning has not been thought out and conflicting requirements reconciled.
Noise and Air Quality
The study found that air quality in stations would improve with PEDs because less polluted tunnel air would blow onto the platform and beyond. However, the offset is that pollution levels would rise in the tunnels. This is a health and safety issue more for staff who spend their workday in that environment, as opposed to riders who are passing through the system.
Tunnel pollution consists primarily of dust from brake shoes and wheels, along with some lubricating oil from trains. Tunnels tend to be lined with euphemistically named “tunnel fur” that also contains animal droppings, although this is supposed to be cleaned away periodically. A study of this was underway just before the covid pandemic, but then everything stopped. There is no mention of updating this work in the current study.
Noise levels on platforms will go down, especially with full-height PED walls.
PEDs Elsewhere
The study contains a superficial review of PED installations elsewhere, and many cities were not included because of local conditions that made them inappropriate comparitors for Toronto. This is an oversight if only in the inevitable situation where questions will be asked like “I was just in city xxx and why can’t we have a system like their”. One would hope that a thorough review of PED technologies and implementations might be available from an organization like the UITP (International Union of Public Transport).
A potential problem is special pleadings from “Do I have a solution for you!” hawkers of new technologies preying on Board members and other politicians looking to make their mark on Toronto’s transit. This is not the kind of project where unsolicited proposals with little or no established record in the market should be entertained.
The study observes that most of the large-scale implementations have been on new or recently built systems where structures were already able to support PEDs, and control systems could be easily retrofitted or were built as part of a new project. Some North American proposals have foundered at the trial stage due to cost and competing capital priorities.
Metrolinx has not included for PEDs on either the Scarborough or Yonge North subway extensions.
Cost
Although the study provides a score for the cost element of each alternative scheme, a dollar figure is only given for the preferred full-height option.
Moreover, there is a long list of potential costs not included in the class 5 estimate (itself subject to a wide range). This reads like a generic list included in any study. Some items will have no effect, but they should be quantified to obtain a reliable, overall estimate.
- Cost of contaminated soil removal;
- Financing costs;
- Escalation contingency;
- Premiums associated with Public-Private Partnership procurement model;
- Restoring deteriorated platforms (other than platform cantilever re-construction in Davisville and Rosedale stations);
- Epoxy coated and stainless-steel reinforcement, and mechanical couplers;
- Premiums associated with sourcing non-local materials;
- Tender assigned values;
- Premiums associated with a compressed schedule;
- Currency risk;
- Extended warranties;
- Direct liaison with the authorities having jurisdiction to interpret and/or resolve issues concerning the Ontario Code and other applicable codes or guidelines;
- Pending OBC changes, if impactful;
- TTC operational impacts and costs;
- Soft costs;
- Building permit;
- Development charges;
- Easement cost;
- Fundraising cost;
- Land acquisition costs and impost charges;
- Legal fees and expenses;
- Owner’s staff and associated management;
- Preventative maintenance contracts;
- Professional fees and expenses;
- Relocation of existing facilities, including furniture and equipment;
- Right of way charges;
- Engineering and management;
- Interface between ATC and PED Door;
- Business losses.
The total project cost is estimated at $4.1 billion for 74 existing stations over a 20-year timeframe. That is an average of $55 million per station based on a cost estimate inflated to the project midpoint. Obviously some stations will be more expensive than others depending on local conditions. The estimate is very rough (class 5) with a potential margin for error up to 100%.
The study does not discuss the comparative cost of installations for various systems beyond saying full height doors are most expensive (obviously) and costs ramp down from there with tradeoffs for efficacy of each “solution”. There is no breakdown of how each component of PED design, fabrication, site preparation and installation would contribute to the total.
There is little discussion of ongoing ownership costs including maintenance and station staffing effects.
For those interested, here is a study and some history on the experience in Japan…
To be honest there doesn’t seem to have been a report on how this should and could be funded. Obviously the capital costs can be recovered from savings to first responders and the healthcare system with transfers from the provincial or federal government (and the city with regards to EMT and fire services).
The benefits to the TTC in reliability, customer experience, and others will be tangible in increased usage and should be included in the funding…even basic things like not needing to teach your kids about a yellow line and hold their hand will increase family usage.
Finally the experience in Japan shows you can just increase the fare at stations when you implement the improved service…and then reduce the surcharge once a portion has been paid…
I firmly believe the federal government should mandate platform doors on all stations with high usage and history of track incursions…both on the ttc and mainline rail stations.
Over 1000 people have died at track level since the subway opened, and 5-20% of all suicides in Toronto are on the ttc every year. It is a root cause, due to it being an environmental factor. Similar to having a gun or drugs in a house. Most people in Toronto have to use a subway multiple times a day. The city has a moral duty to provide a safe service and should move at speed to get this project done. 20 years represents another 400 people dead.
Steve: Thanks for the link to that study. One group of track intrusions that seemed to have almost no data is “track walkers”, people who go wandering on the tracks for some reason and who have become a major problem for the TTC separate from suicides/attempts. The TTC discussion of half vs full height doors turns on the additional barrier effect of full height, but I have to wonder whether it’s worth the effort if the wall is high enough someone could not easily jump over it. As the linked report points out, the cost of implementation varies quite substantially depending on the characteristics of the station.
LikeLiked by 1 person
The only current Toronto example for people to look at is on the UP Express at Union Station and Pearson Airport. I’m surprised this hasn’t been mentioned.
Steve: It is mentioned in passing in the report:
I could not include everything from the report in my review. The report also notes that there are PEDs on the airport people mover. Again, this is very different from the subway environment in being a new build and one where the total passenger demand is much lower than a major rapid transit line.
LikeLiked by 1 person
How much was saved by removing the platform edge doors from the project, and how much did the redesign cost?
Steve: I went looking back through various reports dealing with the “reset” of the TYSSE project, but they focus on problems with contractor relationships and performance. I’m not sure that removal of PEDs ever came to the Board as a design decision, but it happened at the management level. The design screw-up was that some stations’ structural design assumed the presence of a PED wall as a structural element. I remember this being reported verbally at a Board meeting, possibly more than one, but that would have been back well before the 2017 opening.
Reports about the “reset” are here:
Toronto-York Spadina Subway Extension – Schedule and Budget Change March 26, 2015
Toronto-York Spadina Subway Extension – Schedule and Budget Reset January 21, 2016
LikeLiked by 1 person
Thank you Steve, for your (as usual) comprehensive and thoughtful presentation. I do have two questions, which may simply demonstrate my own ignorance:
1) can you expand on the point about refuge space under the edge of the platforms? Would not PEDs virtually eliminate the need for refuge space, or am I missing something?
Steve: Refuge space is require for maintenance workers who need to let trains pass. At most side platform stations, they can step up to the wall separating the tracks, and there are places where refuge cages have been provided, although strictly speaking they are not needed. Some stations, however, have no space on the side opposite the platform (notably the round stations at Queen’s Park and St. Patrick). There is also the outside chance that someone will find their way to track level in spite of the best effort to prevent it.
2) My usual comparator for transit is Hong Kong’s MTR system, which has PEDs: full height in indoor stations and half height at outdoor stations. The Wikipedia discussion of PEDs refer to reduced air conditioning costs as a benefit of the doors. It raises the question of whether full height PEDs would have a side benefit of reducing heating and air conditioning costs for TTC stations that have such systems. Your point about station ventilation is, of course, well taken, but would this side benefit actually exist? And, if so, would it be another reason to support PEDs?
Steve: TTC stations are not air conditioned and in fact can get quite warm in summer months and cold in the winter, although there is usually a lag time between the external temperature change and the point where the stations heat up or cool off. The study makes the point that many relatively new PED-equipped systems in Asia are in warmer climates and recently built systems where AC is already part of the system. For a new build, the presence of full height walls can reduce the AC costs in station design.
The question in a busy Toronto stations is whether there will be enough air flow depending on the PED wall design to provide ventilation on the platform and beyond up into the concourse. In the winter, full height walls may reduce exposure to cold winds blowing through tunnels (something I experience personally at Broadview which is open to the Don Valley at the west end). However, in the summer, places like Dundas/TMU and Bloor-Yonge can get quite toasty and wind from the trains is a welcome relief.
LikeLiked by 1 person
Platform edge doors are very common in Asia in places such as China, Japan, South Korea, India, Taiwan, Indonesia, Singapore, Malaysia, Hong Kong, Vietnam, Thailand, etc. But these are not found in car-centric countries such as USA, Canada, etc.
LikeLiked by 1 person
Is GO Transit planning on installing these? No talk in Calgary or Montreal or Vancouver about installing these gates. The yellow border line needs to painted another 3 Feet explaining stand further back for safety and common sense when dealing with public transit equipment rushing into every station 18 hours a day.
Steve: GO Transit, definitely not. According to the TTC study, Vancouver is thinking about PEDs, but has had intrusion detection systems since SkyTrain opened 40 years ago. A wider yellow safety area might work, but platforms are often too busy to restrict that space.
LikeLike
Are the PEDs motorized? It seems inevitable that a motorized system would on occasion experience technical problems. That would cause profound frustration and disruption if it occurred at rush hour. Spending potentially tens of billions of dollars to only have a defective system would not make people happy. One simple work around would be to trial manual sliding doors. The doors could glide easily and would be easy for passengers to open themselves. Once people were on board springs could automatically shut the doors. Indeed perhaps trains would wait for the PEDs to all be closed before departing a station. This approach would be dramatically easier to maintain and would mean that if one of the PEDs were defective the entire subway line would not be thrown into crisis. The cost savings would also likely be very large. While it is true that it might not be possible to work around the problem of people opening the doors when they should not, the doors make this more difficult. That is more a question of civilizational collapse which doors or not does not fully address. As a potential work around to the problem of opening the PEDs when a train is not in the station perhaps a mechanical switch could be triggered when the train arrives in the station for each of the manual doors. This idea seems much much better than any mechanized system that could cost into the tens of billions of dollars only to have inevitable performance issues. A manual system would cost dramatically less, be easy to maintain and probably provide service for many decades.
Steve: Once upon a time, elevators had manual doors. There is a very good reason why they don’t today. Even without motorization, there would still have to be interlocks to prevent riders from opening doors when it was not safe to do so. The idea that they would “glide easily” assumes a level of maintenance we are unlikely to see. This idea is a non-starter.
LikeLike
What’s “Exciting Sighage?” And how does it differ from “Exciting Sighnage” or “Excisting Sighage”? 😛
Though more seriously, that many typos in the same 2 words (it’s presumably supposed to be “existing signage”) in part of one table calls into question the quality of the whole report. Like, if they couldn’t even be bothered correcting the red-underlined words, what other, more subtle but potentially serious, errors were left in?
LikeLike
The Ginza Line in Tokyo opened in 1927, the Midōsuji Line in Osaka opened in 1933, and Line 1 in Paris opened in 1900…
They all have…Platform Edge doors!
What is Toronto’s excuse this time?
because the earliest stations of TTC opened in 1951?
Steve: 1954 actually.
Even if the argument is that some stations of the TTC are old, fine.
(We are just much less competent compared to other big cities in the world.)
What about all the other stations that are relatively new?
Why can’t we start from them?
Steve: There are only a few “new” stations that require less extensive structural modifications and none of them are in the busy part of the subway where track intrusions are a common problem.
LikeLike
Thank you for replying Steve.
I am not fully aware of all the technicals related to PEDs, though on a purely common sense practical level the manual doors still seem to make a great deal of sense to me.
Yes, I will use your term “interlocks” as I described it without this term. The trains could have “ribs” that could make touch contacts at each of the manual doors when the train was in the station and thus allow the release of the door to open. When the train left the station the contact below the platform would go back to the default close position and the springs would push the platform doors closed. It would be such a ridiculously simple mechanical system that any repairs that might be needed to be done could be done by essentially anyone. All of the mechanicals would be away from tampering so it would be a robust system. This would address the concern of people opening the door when the door is not in the station.
The concern about the freely gliding doors does not seem overly difficult to solve. I have bought coaster style fixed direction wheels for about $10 online. Having smoothly gliding doors does not seem a technical challenge beyond our ability. We have sliding doors out to our patio and they do not have any wheels and they are almost impossible to open with all the dirt that has accumulated: wheels help a lot. The wheels are the main fail point in the system but the manual doors could be designed to make this a very easy repair job. They could be designed so that wheels could be easily accessed and rapidly replaced with not much more than a screwdriver. The high tech PEDs very likely wold be no where as easy to fix. A fairly simple and cheap work around of wheels on top and or hanging doors with wheels on top could make the non-motorized wheels even more effective. It is possible that you could have an upgrade path for the motorized doors, though this is could simply be a design feature that might not need to be followed.
The government has spent decades waiting while the carnage and many fatalities have accumulated. They have waited because the price tag for a fully automated motorized system could cost tens of billions of dollars. Instead of at least trying to implement a workable, low tech, and affordable solution they insisted that everything had to be the most complex, most expensive and at the same time most likely to fail.
Perhaps we have reached the time for the people to simply rise up and take care of this itself. Go to some TTC station and install our own solution. We are fed up with the government allowing our friends and family dying because of their inaction.
I just ran through a random web search for the cost of 135 m *3 m = 411.5 square meters of sheet metal for an estimated cost of $4,000 to $18,000. That would cover an entire subway platform in 10 feet high sheet metal. One can then see back of envelope that it is not going to cost $40 million per station to have manual doors for each station as is projected with the motorized approach. The motorized approach has too many things that can go wrong with it that could easily cause rush hour crises. With the manual approach there would likely never be a total fail as there probably will be with the motorized doors.
At least having a trial of the manual door approach would seem highly wise. See what happens. How do people respond to them? What problems actually occur? Even if the motorized doors were somehow found superior that does not imply that spending a colossal amount of money is the best use of scarce and marginal resources. It would seem likely that a good enough solution with the manual doors would provide the maximal utility.
As I mentioned above, there is a wider problem of civilizational collapse that we are experiencing that no perfect top of the line motorized AI controlled gold plated PED is going to solve. I can hardly wait to see how the wonderful technology of the PED will be overcome by a hammer or a rock. We simply should not live under the delusion that the problems that we are confronting as a community can somehow be solved by yet more technology. Perhaps at some point we will need to acknowledge that technology is the problem more than symptoms like track level subway incidents.
Steve: I am not going to critique this as I believe you are operating at the level of an amateur carpenter who things building a house to last decades is a matter of a few visits to Home Depot.
LikeLike
“Exciting Sighage” is just the beginning. The feasibility study is full of ridiculous typos. “Primerely”, “electical”, “stractural”, “Design Bulid”…
That’s embarrassingly bad for a public-facing document.
LikeLike
Will these platform edge doors impede my ability to bring in my ultra-large and ultra-wide eBike on to the subway system?
Steve: Sadly, no.
LikeLike
Third world countries typically don’t have platform edge doors, these only exist in advanced countries on the Asian continent.
Steve: Many of those advanced countries have a lot of new builds where PEDs were an integral part of the project. Some European systems have them as retrofits to older lines.
LikeLike